80系列鋁型材
80系列鋁型材
-
框架80*40-HYGYC-2197 [2016-01-05]規格:80*40
米重:3.553kg/m
產品型號:HYGYC-2197 -
框架80*40-HYGYC-2191 [2016-01-05]規格:80*40
米重:2.616kg/m
產品型號:HYGYC-2191 -
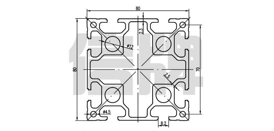
框架80*80-HYGYC-1491 [2016-01-05]規格:80*80
米重:4.586kg/m
產品型號:HYGYC-1491 -
框架80*80-HXB8080-1 [2016-01-05]規格:80*80
米重:3.689kg/m
產品型號:HXB8080-1 -
框架80*80-HXB-8080 [2016-01-05]規格:80*80
米重:5.361kg/m
產品型號:HXB-8080 -
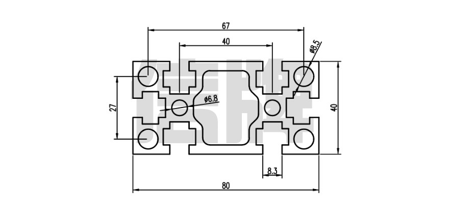
框架80*40-HXB-4080L [2016-01-05]規格:80*40
米重:2.442kg/m
產品型號:HXB-4080L -
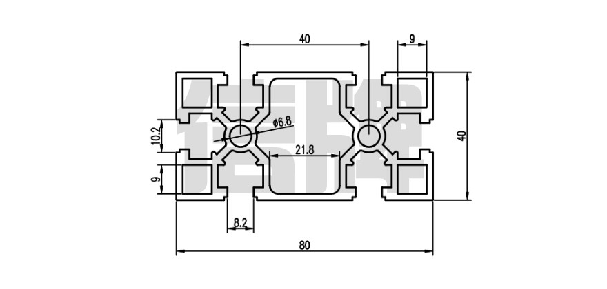
框架80*40-HXB4080 [2016-01-05]規格:80*40
米重:3.352kg/m
產品型號:HXB4080 -
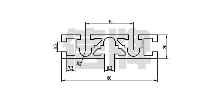
框架80*20-HLT-2080L [2016-01-05]規格:80*20
米重:1.721kg/m
產品型號:HLT-2080L -
框架80*80-HJ-8080 [2016-01-04]規格:80*80
米重:4.676kg/m
產品型號:HJ-8080 -
框架80*40-HJ8040C [2016-01-04]規格:80*40
米重:2.089kg/m
產品型號:HJ8040C




掃一掃 更驚喜
